1. HEADLAMP DIMMER SWITCH ASSY

(a) Inspect light control switch.
Standard:

(b) Inspect headlamp dimmer switch.
Standard:

(c) Inspect turn signal switch.
Standard:

(d) w/ Front Fog Lamp: Inspect front fog light switch.
Standard:

2. HAZARD WARNING SWITCH ASSY

(a) w/o navigation system: Measure the resistance according to the value(s) in the table below.
Standard:


(b) w/ navigation system: Measure the resistance according to the value(s) in the table below.
Standard:

3. FRONT DOOR COURTESY LAMP SWITCH ASSY

(a) Measure the resistance according to the value(s) in the table below.
Standard:

4. REAR DOOR COURTESY LAMP SWITCH ASSY

(a) Measure the resistance according to the value(s) in the table below.
Standard:

5. BACK DOOR LOCK ASSY

(a) Inspect back door courtesy lamp switch assy.
Standard:

6. ROOM LAMP ASSY NO.1

(a) Measure the resistance according to the value(s) in the table below.
Standard:

b) Connect the positive (+) lead from the battery to the terminal 1 and negative (-) lead to the terminal 2, then check that the lamp comes on when the switch is in the DOOR position.
(c) Connect the positive (+) lead from the battery to the terminal 1 and negative (-) lead to the terminal 3, then check that the lamp comes on when the switch is in the ON position.
7. ROOM LAMP ASSY NO.2

(a) Measure the resistance according to the value(s) in the table below.
Standard:

b) Connect the positive (+) lead from the battery to the terminal 1 and negative (-) lead to the terminal 2, then check that the lamp comes on when the switch is in the DOOR position.
(c) Connect the positive (+) lead from the battery to the terminal 1 and negative (-) lead to the terminal 3, then check that the lamp comes on when the switch is in the ON position.
8. MAP LAMP ASSY

(a) Inspect the map lamp in the overhead J/B.
9. COURTESY LAMP ASSY

(a) Connect the positive (+) lead from the battery to terminal 1 and negative (-) lead to terminal 2, then check that the lamp comes on.
10. LH VISOR ASSY
(a) Connect the positive (+) lead from the battery to one of the terminals and the negative (-) lead to other terminal, then check that the lamp comes on when the switch is in the ON position.
11. RH VISOR ASSY
(a) Connect the positive (+) lead from the battery to one of the terminals and the negative (-) lead to other terminal, then check that the lamp comes on when the switch is in the ON position.
12. GLOVE BOX LAMP ASSY
(a) Connect the positive (+) lead from the battery to one of the terminals and the negative (-) lead to other terminal, then check that the lamp comes on when the switch is in the ON position.
13. KEY CYLINDER LAMP

(a) w/ Theft deterrent system: Connect the positive (+) lead from the battery to terminal 2 and negative (-) lead to terminal 6, then check that the lamp comes on.

(b) w/o Theft deterrent system: Connect the positive (+) lead from the battery to terminal 2 and negative (-) lead to terminal 1, then check that the lamp comes on.
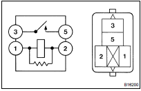
14. HEADLAMP RELAY

(a) Measure the resistance according to the value(s) in the table below.
Standard:

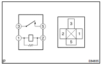
15. TAIL LAMP RELAY

(a) Measure the resistance according to the value(s) in the table below.
Standard:

16. FOG LAMP RELAY

(a) Measure the resistance according to the value(s) in the table below.
Standard:

17. DRL NO.2 RELAY

(a) Measure the resistance according to the value(s) in the table below.
Standard:

18. DRL NO.3 RELAY

(a) Measure the resistance according to the value(s) in the table below.
Standard:

19. DRL NO.4 RELAY

(a) Measure the resistance according to the value(s) in the table below.
Standard:

20. STOP LAMP SWITCH ASSY

(a) Measure the resistance according to the value(s) in the table below.
Standard:

On-vehicle inspection
LH headlamp ASSYIf your vehicle has to be
stopped in an
emergency
Only in an emergency, such as if it becomes impossible to stop
the vehicle in the normal way, stop the vehicle using the following
procedure:
Steadily step on the brake pedal with both feet and firmly depress it.
Do not pump the brake pedal repeatedly as this will increase the effort
requi ...